Products
FGD領域
真空皮帶脫水機 More+

真空皮帶脫水機
真空皮帶脫水機也叫固定真空室式橡膠帶式過濾機;是我公司在引進、消化和吸收國外同類產品技術基礎上,研制的一種新型、高效、并可連續操作的固液分離機械設備,同時它也是一種充分利用物料重力和真空吸力實現固液分離的機械設備;在結構上真空區沿水平方向布置,利用真空區的長度可以連續完成過濾、洗滌、吸干等不同工藝過程,具有過濾效果高、生產能力大、洗滌效果好、應用范圍廣、操作簡單、運行平穩、維護保養方便等優點;特別適合于過濾固相顆粒粗、密度大及濾餅需要多次洗滌的懸浮液料漿,可以廣泛應用于冶金、礦山、化工、造紙、食品、制藥及環保等工業部門的固液分離;尤其在濕法煙氣脫硫(FGD)中的石膏脫水方面有著很好的應用。

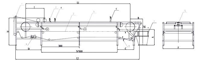
真空盒升降裝置
真空盒通過擺臂配置進行升降,方便于摩擦帶的更換,并由螺栓禁錮在機架上,上面有摩擦帶和打孔的膠帶。

張緊裝置
膠帶張緊裝置是通過絲杠來調節膠帶張緊度,以保證膠帶有足夠的摩擦力,并且在運行當中不會發生膠帶跑偏現象。

糾偏裝置
濾布糾偏裝置采用氣囊推動糾偏棍一側擺動一定角度來糾正濾布的偏移,氣囊和控制元件均為進口產品,質量穩定可靠。

濾布清洗裝置
采用工藝水噴射進行清洗和膠帶,并配有真空吸管密封的箱體,保證工作現場清潔以及膠帶機正常運行;噴頭通常為美國噴霧公司的產品,能充分保證清洗效果。

膠帶支撐裝置
膠帶上支撐裝置采用密性托輥支撐,即在過濾面膠帶兩側裝有角鐵支撐架,支架上平均布置塑鋼合金托輥,膠帶運行在托輥上,可以減少膠帶磨損和驅動阻力,同時也能夠延長膠帶的使用壽命。

遠程控制系統
與遠程DCS控制系統完美結合,方便設備操作和程序管理。
Dcs 控制系統:
1.采用變頻器、接近開關、限位開關、測厚儀等控制系統。
2.可以實現系統糾偏控制、膠帶極限位置控制(停機、節點信號輸出)、濾布拉斷控制(停機、節點信號輸出)。
3.遠程和現場開、停機即根據物料厚度自動調節主控電機轉速且輸出至DCS系統的通訊接口。
4.控制系統元件采用國外進口件和國內知名品牌產品,質量穩定可靠,系統控制穩妥使用。

流量監測控制
在真空和密封水管路、滑臺潤滑水管路、真空泵工作液進水管路、濾布沖洗水管路上均裝有監控流量低報警的流量開關,同時在濾餅淋洗管路上也裝有電磁流量計,有利于DCS系統直接對其流量進行控制。

緊急停車開關
設備上裝有拉繩開關,當現場出現危機情況時,操作人員可以馬上拉動緊急開關上的鋼絲繩,使設備停止運行,從而保證周圍人員及設備的安全。

濾餅測厚
系統中還裝有超聲波測厚儀,能夠根據物料的厚度輸出4~20mA模擬量信號至DCS系統。最后DCS系統將根基反饋電流調節變頻的頻率,從而控制傳動電機的運行轉速。

限位開關
設備上還裝有采集濾布跑偏極限、膠帶跑偏極限的限位開關,一旦超出跑偏極限范圍,將有接點信號送至DCS系統,整套系統立即停車;正常工作情況下濾布可以存在小范圍左右擺動現象,設備本身有自動糾偏裝置。
附屬設備

真空泵
真空泵是利用水環工作方式 ,向腔體內注入工藝水,同時在葉輪的旋轉下形成-0.05—0MPa的真空壓 力,是整套設備的真空源泉。

石膏旋流器
料漿通過輸送 泵至旋流器進口,旋流器采用原裝進口設備,通過旋流器濃縮后,料漿濃 度從20%提高到40%-50%,大大提高真空皮帶脫水機的處理能力。

濾餅沖洗水箱
濾布清洗水 排放口與濾餅沖洗水箱進水口相連接,補水閥采用進口浮球閥自動補水, 并設有自動排水閥門和液位低報警開關,實現對濾餅沖洗水泵和管道的自動保護。

濾布沖洗水箱
濾布沖洗水 箱采用碳鋼襯膠或PPR制作而成,真空泵的汽水分離器出液口與濾布沖洗 水箱進水口連接,補水閥采用德國進口浮球閥,可自動補充工藝水,并設 有液位低報警開關,可實現對濾布沖洗水泵的自動保護。

工作原理
利用真空力把水和其他液體從漿液中分離出來。在FGD工藝中經過一級旋流脫水后的石膏漿液進入脫水機的進料箱,在進料端,氣體被蒸汽罩除去,漿液被均勻分布到移動濾布和排水皮帶區域。濾餅在排水皮帶上方移動,通過真空負壓進行脫水。真空是排水皮帶下側的真空盒產生的。濾餅沿脫水機的長度方向行進時,由濾餅沖洗管從上方進行沖洗。當濾餅移動到真空皮帶機的卸料端時,石膏漿液已經變成了含水<10%的產出品,濾布從脫水皮帶上分離,進行沖洗后進入下一工作循環。
工藝流程圖

真空皮帶脫水機特點:
● 真空盒和過濾膠帶間設有環形摩擦帶并以水密封、潤滑和冷卻真空密封可靠,可以維持穩定的真實度,降低濾餅的含水量且有利于穩定的操作工藝條件,且環形摩擦帶摩擦阻力小、使用壽命長且更換方便、快捷。
● 膠帶采用氣墊式支撐或水膜墊式支撐或加密型托輥支撐,膠帶漂浮在支撐墊上運行,減少了運行阻力,有利于延長膠帶的使用壽命。
● 采用環形的過濾膠帶,抗拉強度大,使用壽命長。
● 整體結構采用了模塊化設計,可以靈活組裝且便于運輸和安裝。
● 設有氣囊式濾布自動糾偏裝置,可以確保濾布穩定運行。
● 設有真空平衡狀態下的自動排液分離裝置或液柱式排液分離裝置,可以靈活實現真空皮帶脫水機零位差自動排液或高位差排液,以滿足各種工況條件的使用要求。
● 控制系統應用了PLC控制技術及充分考慮了與遠程的DCS控制的接口技術的設計;可以實現設備運行的PID調節、現場和遠方的自動控制、設備運行的


廣泛應用于電廠、供熱機組等各種煙氣脫硫(FGD)項目中的石膏脫水。
售后服務
煙臺桑尼核星環保設備有限公司售后服務部隨公司成立之日起組建,現已形成規模60余人,下分為礦山服務組,電廠服務組,污水及空氣凈化服務組,電氣組,服務全國80%的電廠脫硫設備。
售后服務部主要職責是對客戶產品使用、安裝調試、故障排除及現場維護的培訓與指導工作。售后工程師均甄選至機械類相關專業畢業生,在公司經過專業的技術培訓,并且在多個現場經過實習。所以售后工程師除了具備專業的技能外還擁有豐富的實戰經驗,對于現場出現的各種問題都能夠給予專業的技術指導,給客戶提供優質的售后服務。
售后服務的流程大致可分為三個階段包括安裝、調試、投料運行。設備從投料運行之日起開始質保。在質保期內,售后人員還予以提供故障排查,設備維護,以及故障解除方案等服務。



